DRX智能矿物分选设备(X射线干选机)

  DRX智能矿物分选设备,又称 DRX智能干选机、X射线矿物分选机、干选机。由DRX智能矿物分选系统软件驱动,获取矿物X射线影像视频图,计算出与矿物密度相关的数据进行矿物识别,控制喷嘴完成矿物的快速准确分选。

设备外观

Softfox DRX intelligent mineral sorting equipment

分选原理

Softfox DRX sorting principle

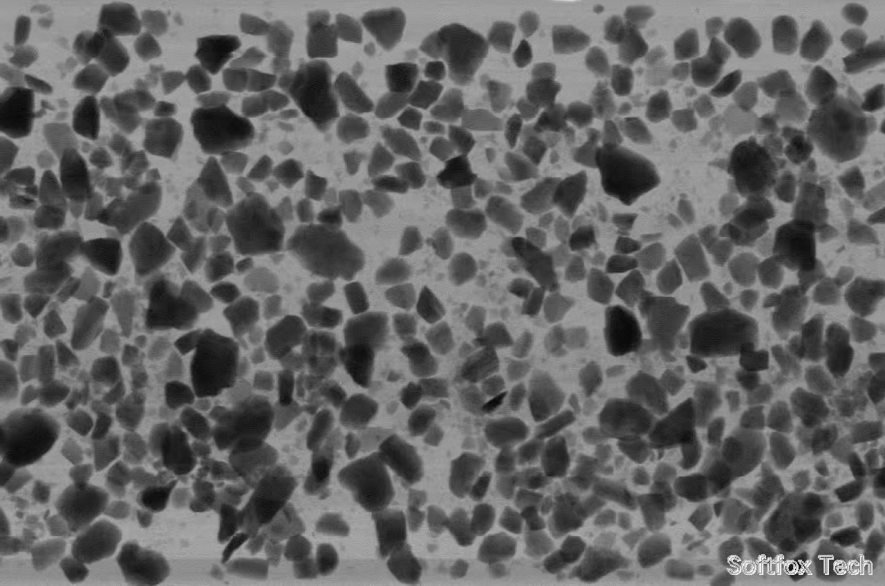
矿物X射线图像

Softfox DRX X-ray image

选煤排矸石测试

分选机技术参数

1. 分选皮带宽度1000mm
2. 分选皮带速度2.75m/s
3. 主机几何尺寸10mx1.3mx2.2m
4. 主机功率15kw
5. 辅助设备功率85kw
6. 矿料处理粒度20 - 350mm
7. 处理能力50 - 200吨/小时
8. 变压器容量130kva
9. 三相交流电压380v/50hz
10. 分离废料率大于95%
11. 废料含好料小于2%


DRV智能矿物分选设备(颜色干选机)

  DRV智能矿物分选设备,又名 颜色矿物干选机、颜色矿物分选机、色选机。由DRV智能矿物分选系统软件驱动,获取矿物工业相机影像视频图,综合应用与矿物密度相关的数据和矿物图像特征数据进行矿物识别,控制喷嘴完成矿物的快速准确分选。

设备外观

Softfox DRV intelligent mineral sorting equipment

分选原理

Softfox DRV sorting principle

矿物相机图

Softfox DRV camera image

选白色高岭石测试

分选机技术参数

1. 分选皮带宽度1000mm
2. 分选皮带速度2.75m/s
3. 主机几何尺寸10mx1.3mx2.2m
4. 主机功率15kw
5. 辅助设备功率85kw
6. 矿料处理粒度20 - 350mm
7. 处理能力50 - 200吨/小时
8. 变压器容量130kva
9. 三相交流电压380v/50hz
10. 分离杂色废料大于95%
11. 废料含好料小于2%


DRXV智能矿物分选设备(X射线+颜色干选机)

  DRXV智能矿物分选设备,又叫 X射线+颜色矿物干选机、X射线+颜色矿物分选机、双源分选机、双源干选机。由DRXV智能矿物分选系统软件驱动,获取矿物X射线影像和工业相机影像视频图,综合应用与矿物密度相关的数据和矿物图像特征数据进行矿物识别,控制喷嘴完成矿物的快速准确分选。

设备外观

Softfox DRXV intelligent mineral sorting equipment

分选原理

Softfox DRXV sorting principle

矿物X射线与相机图像

Softfox DRXV X-ray and camera image

选白色高岭石测试

分选机技术参数

1. 分选皮带宽度1000mm
2. 分选皮带速度2.75m/s
3. 主机几何尺寸10mx1.3mx2.2m
4. 主机功率15kw
5. 辅助设备功率85kw
6. 矿料处理粒度20 - 350mm
7. 处理能力50 - 200吨/小时
8. 变压器容量130kva
9. 三相交流电压380v/50hz
10. 分离废料大于98%
11. 废料含好料小于1%


DRX智能矿物分选系统(X射线分选软件)

  DRX智能矿物分选系统(DRX Intelligent Mineral Sorting System, DRXIMSS)软件,又称 X射线矿物分选软件。获取矿物X射线影像视频图,计算出与矿物密度相关的数据进行矿物识别,控制喷嘴完成矿物分选。

DRXIMSS主界面

Softfox DRX intelligent mineral sorting software

DRXIMSS著作权登记证书

Softfox DRX software registration certificate

DRXIMSS使用说明书

软件处理能力参数

1. 分选皮带宽度1000 - 2000mm
2. 分选皮带速度2.5 - 3.1m/s
3. 矿料处理粒度20 - 600mm
4. 数据采集线到喷嘴距离1223mm
5. 数据获取后,计算识别和控制信号输出总时间小于30ms


DRV智能矿物分选系统(颜色分选软件)

  DRV智能矿物分选系统(DRV Intelligent Mineral Sorting System)软件,又名 颜色矿物分选软件,色选软件。获取矿物工业相机影像视频图,应用矿物图像特征数据进行矿物识别,控制喷嘴完成矿物分选。

DRVIMSS主界面

Softfox DRV intelligent mineral sorting software

软件处理能力参数

1. 分选皮带宽度1000 - 2000mm
2. 分选皮带速度2.5 - 3.1m/s
3. 矿料处理粒度20 - 600mm
4. 数据采集线到喷嘴距离1223mm
5. 数据获取后,计算识别和控制信号输出总时间小于30ms


DRXV智能矿物分选系统(X射线+颜色分选软件)

  DRXV智能矿物分选系统(DRXV Intelligent Mineral Sorting System)软件,又叫 X射线+颜色矿物分选软件、双源分选软件。获取矿物X射线影像和工业相机影像视频图,综合应用与矿物密度相关的数据和矿物图像特征数据进行矿物识别,控制喷嘴完成矿物分选。

DRXVIMSS主界面

Softfox DRXV intelligent mineral sorting software

软件处理能力参数

1. 分选皮带宽度1000 - 2000mm
2. 分选皮带速度2.5 - 3.1m/s
3. 矿料处理粒度20 - 600mm
4. 数据采集线到喷嘴距离1223mm
5. 数据获取后,计算识别和控制信号输出总时间小于30ms


DRXV智能矿物分选参数设置平台

  DRXV智能矿物分选参数设置平台(DRXV Intelligent Mineral Sorting Parameters Setting Platform, DRXVIMSPSP)软件,DRX智能矿物分选参数设置平台帮助用户分析和处理矿物X射线和工业相机影像图,设定识别和分选不同矿物的参数,为DRX、DRV和DRXV智能矿物分选系统提供分选参数设置文件。

DRXVIMSPSP主界面

Softfox DRXV intelligent mineral sorting parameter setting platform

DRXIMSPSP著作权登记证书

Softfox DRXVIMSPSP software registration certificate

DRXIMSPSP使用说明书


软狐X射源仿真软件

  软狐X射线仿真软件(Softfox X-ray Source Simulator, SFXRSS)可以代替真实射源,为开发和调试利用X射线的软件提供COM口的RS232串行通讯,实现射的源参数设置、射源控制和射源工作状态信息获取,突破直接连X射源开发调试程序的多种条件限制,大大提高用户利用X射源的软件开发效率。

SFXRSS主界面

Softfox X-ray simulation software

VJ射源软件连接SFXRSS界面

Softfox X-ray simulation software

SFXRSS著作权登记证书

SFXRSS registration certificate

SFXRSS使用说明书


软狐数字接口卡(SFDIO)及数据线

  软狐数字接口卡(SFDIO)及数据线,用于获取分选皮带机、振动给料机、分选皮带跑偏等信号,发出分选设备运行状态信号及射源故障、皮带跑偏报警信号。

SFDIO连线说明

Softfox digital IO card connection instruction